本文绝对压力远程麻豆精品视频在线观看资料由优质麻豆精品视频在线观看生产报价厂家为您提供。
产品概述:
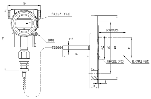
上海朝晖PT124B-3051GR(AR)差压远程传输麻豆精品视频在线观看的波纹管用于防止管道中的介质直接进入麻豆精品视频在线观看的压力传感器组件。压力通过填充液体如硅油在波纹管和麻豆精品视频在线观看之间传递。
PT124B-3051GR(AR)表压/用于测量液体、气体或蒸汽的液位、密度和压力,然后将其转换为4 ~ 20m模数转换器hart电流信号输出。PT124B-3051GR(AR)还可以与RST375手持终端或RSM100调制解调器通信,通过该通信可以进行参数设置和过程监控。PT124B-3051GR表压/绝对压力远程麻豆精品视频在线观看(未迁移时)的测量范围为0-6千帕~ 25兆帕,远程法兰的额定压力分别为1.6/4兆帕、6.4兆帕、10兆帕、150磅/平方英寸、300磅/平方英寸或600磅/平方英寸。
工作原理和结构
PT124B-3051GR(AR)表压/绝对压力远传麻豆精品视频在线观看的结构由PT124B-3051GR(AR)系列表压/绝对压力麻豆精品视频在线观看和带毛细管的焊接远传法兰组成。其工作原理与PT124B-3051GR(AR)系列表压/绝对压力麻豆精品视频在线观看(见PT124B-3051GR(AR)系列表压/绝对压力系列麻豆精品视频在线观看技术规范)相同,只是压力传递路径略有不同:作用在远传法兰上的压力首先通过隔膜并充注远传法兰上的液体,然后通过毛细管,最后到达测量传感器的测量端
产品尺寸图
基本远程传输密封装置图

基本远程传输密封装置直接安装图

产品特性:
1.采用世界领先的高精度硅传感器技术;
2.静压性能优良,最佳静压误差≤ 0.1%/10兆帕;
3.传感器内部集成了高灵敏度温度传感器,麻豆精品视频在线观看具有出色的温度性能。
4.快速响应速度。

电气连接图

上海朝晖相关产品:
产品型号产品名称
PT124G-111经济型直杆熔体压力传感器
PT124G-111T经济型直杆温度和压力集成熔体传感器
PT124G-112替代进口直杆式熔体压力传感器
PT124G-112T替代进口直杆温压集成熔体传感器
PT124G-113环保型直杆熔体压力传感器
PT124G-113T环保型直杆温压一体化熔体传感器
PT124G-116法兰直杆熔体压力传感器
PT124G-121软管经济型熔体压力传感器
PT124G-121T软管经济温度和压力集成熔体传感器
PT124G-123T替代进口软管式温压熔体传感器
PT124G-123取代进口软管熔体压力传感器
PT124G-122环保软管熔体压力传感器
PT124G-122T环保型软管温度和压力集成熔体传感器
PT124G-125防爆软管熔体压力传感器
PT124G-125T防爆软管温度和压力集成熔体传感器
PT124G-126法兰软管熔体压力传感器
PT124G-128薄膜腔熔体压力传感器
PT124B-111经济型直杆熔体压力麻豆精品视频在线观看
PT124B-111T经济型直杆温压熔体麻豆精品视频在线观看
PT124B-121软管经济熔体压力麻豆精品视频在线观看
PT124B-121T软管经济温度和压力集成熔体麻豆精品视频在线观看
PT124B-112替代进口直杆熔体压力麻豆精品视频在线观看
PT124B-112T替代进口直杆温压整体熔体麻豆精品视频在线观看
PT124B-123替代进口软管熔体压力麻豆精品视频在线观看
PT124B-123T替代进口软管式温压熔体麻豆精品视频在线观看
PT124B-113环保型直杆熔体压力麻豆精品视频在线观看
PT124B-113T环保型直杆温度压力一体化熔体麻豆精品视频在线观看
PT124B-122环保软管熔体压力麻豆精品视频在线观看
PT124B-122T环保型软管温度和压力集成熔体麻豆精品视频在线观看
PT124B-115防爆熔体压力麻豆精品视频在线观看
PT124B-129智能数字显示熔体压力麻豆精品视频在线观看
PT124B-129T智能数字显示温度和压力集成熔体麻豆精品视频在线观看
PT124B-116法兰型直杆的熔体压力麻豆精品视频在线观看
PT124B-126法兰软管的熔体压力麻豆精品视频在线观看
PT124B-125防爆软管熔体压力麻豆精品视频在线观看
PT124B-125T防爆软管温度和压力集成熔体麻豆精品视频在线观看
PT124B-128薄膜腔的熔体压力麻豆精品视频在线观看
PT124B-112D一键复位直杆熔体压力麻豆精品视频在线观看
PT124B-123D一键复位软管熔体压力麻豆精品视频在线观看
PT124B-123DT单键透明软管式温压整体熔体麻豆精品视频在线观看
PT124G-210标准工业压力传感器
PT124G-211微熔工业控制压力传感器
PT124G-213陶瓷工业控制压力传感器
PT124G-214平板薄膜工业压力传感器
PT124B-210标准工业控制压力麻豆精品视频在线观看
PT124B-211微熔工业控制压力麻豆精品视频在线观看
PT124B-214喷射泵压力麻豆精品视频在线观看
PT124B-212扩散硅工业控制压力麻豆精品视频在线观看
PT124B-213陶瓷工业控制压力麻豆精品视频在线观看
PT124B-214平板薄膜工业控制压力麻豆精品视频在线观看
PT124B-215全焊接本质安全防爆工业控制压力麻豆精品视频在线观看
PT124B-216LCD数字显示工业控制压力麻豆精品视频在线观看
PT124B-217夹钳式工业控制压力麻豆精品视频在线观看
PT124B-218中高温工业控制压力麻豆精品视频在线观看
PT124B-219防腐船用工业控制压力麻豆精品视频在线观看
PT124B-220输入公式液位麻豆精品视频在线观看
PT124B-221数字显示输入类型液位麻豆精品视频在线观看
PT124B-222插入液位麻豆精品视频在线观看
PT124B-223快速塞封液位麻豆精品视频在线观看
PT124B-224耐腐蚀性液位麻豆精品视频在线观看
PT124B-225电容液位麻豆精品视频在线观看
PT124B-280标准防爆压力麻豆精品视频在线观看
PT124B-281耐腐蚀防爆压力麻豆精品视频在线观看
PT124B-282智能防爆压力麻豆精品视频在线观看
PT124B-283平面膜防爆压力麻豆精品视频在线观看
PT124B-284夹具防爆压力麻豆精品视频在线观看
PT124B-285中高温防爆压力麻豆精品视频在线观看
PT124Y-610直杆高温熔体压力计
PT124Y-612带传输输出的直杆式熔体压力计
PT124Y-613直杆磁接触压力表
PT124Y-614软管熔体压力表
PT124Y-615软管带输出熔体压力表
PT124Y-615T挠性管温压一体化熔体压力计
PT124Y-616带触点的磁组输出压力表
PT124Y-617法兰熔体压力表
PT124Y-620标准隔膜压力表
PT124Y-621耐高压冲击隔膜压力表
PT124Y-622压板防震隔膜压力表
PT124Y-623卡扣式防震隔膜压力表
PT124Y-624法兰防震隔膜压力表
PT124Y-625抗震轴向安装隔膜压力表
PT124Y-627圆柱形压力表
PT124B-2501灌浆传感器
PT124B-2503灌浆传感器
PT124B-2504灌浆传感器
PT124B-2511土压传感器
PT124B-2512土压传感器
PT124B-2513土压传感器
PT124B-2521压裂车专用压力传感器(联管传感器)
PT124B-230专用空调压力麻豆精品视频在线观看
PT124B-231专用空调压力麻豆精品视频在线观看
PT124B-232压缩机特定压力麻豆精品视频在线观看
PT124B-233压缩机特定压力麻豆精品视频在线观看
PT124B-234压缩机特定压力麻豆精品视频在线观看
PT124B-235压缩机专用压力麻豆精品视频在线观看
PT124B-240电子发动机机油压力麻豆精品视频在线观看
PT124B-241燃油泵压力传感器
汽车ABB系统的PT124B-242 压力麻豆精品视频在线观看
PT124B-243汽车燃油缸高压共轨压力麻豆精品视频在线观看
PT124B-244 压力麻豆精品视频在线观看
PT124G-650数显隔膜压力表
PD9001智能PID控制仪
N70智能压力显示仪
N80智能压力显示仪
N90智能压力显示仪
N60智能压力和温度指示器
N50智能压力温度显示仪
N10智能压力和温度显示仪
WR-200工业温度传感器
WR-201工业温度传感器
WR-202工业温度传感器
WR-203工业温度传感器
BP1010挤出机的爆破阀
BP1020螺栓式爆破阀
GPD35煤矿压力传感器
GUY5煤矿料位传感器
PT124B-2506灌浆压力传感器
PT124B-2507灌浆密度传感器
PT124B-626灌浆隔膜压力表
VEF310-40集成电磁流量计
PT124B-100高温蒸汽压力传感器
《绝对压力远程麻豆精品视频在线观看》本文地址:http://www.nbhuoche.com/news/js/560.html 转载请勿删除!
全国服务热线